Stjórna róbótta í gegnum prentaraportið

Skjámynd

Höfundur
Rednex
Nörd
Póstar: 147
Skráði sig: Sun 15. Jún 2003 18:00
Reputation: 0
Staðsetning: Hafnarfirði
Hafðu samband:
Staða: Ótengdur

Stjórna róbótta í gegnum prentaraportið

Pósturaf Rednex » Fim 24. Júl 2008 13:08

Ég er bara að svipast um eftir einhverjum sem gæti komið mér af stað í þessum pælingum. Ég er búinn að lesa mér slatta til á netinu um hvernig hægt sé að hafa samband í gegnum prentaraportið (e. parallell-port) en hins vegar stranda ég aðeins á forrituninni. Ég kann í raun bara hrafl í Java :?

Mér sýnist þessi gaur vera með eitthvað sem ég gæti byggt á.

p.s. ég held ég byrji á því að kveikja og slökkva á ljósadíóðum áður en ég set saman eitthvert róbottið :wink:


Ef það virkar... ekki laga það !

Skjámynd

einzi
spjallið.is
Póstar: 439
Skráði sig: Þri 27. Maí 2003 11:25
Reputation: 1
Staðsetning: Ísafjörður
Staða: Ótengdur

Re: Stjórna róbótta í gegnum prentaraportið

Pósturaf einzi » Fim 24. Júl 2008 13:38

Sælir

Loksins skemmtileg umræða. Ég er einmitt búinn að vera að leika mér sjálfur í þessu svoldið og síðasta sem ég hef búið til er IR mótakari í serial portið sem er reyndar ekki alveg að virka vegna mismunandi staðla sem eru í gangi varðani spennu á pinnum. En það er önnur saga.

Fyrsta sem ég myndi gera er að kynna mér hvernig prentaraportið aka parallel port byggist upp og hvaða pinna þú gætir notað þér og þess háttar. Minnir að það séu 8 datapinnar. Sjá hér http://www.lammertbies.nl/comm/cable/parallel.html

:!: Svo verðuru náttúrulega að gera þér grein fyrir því að ef þú ert með rás sem gefur inn spennu á vitlausum stað eða of háa þá geturu náttúrulega skemmt eitthvað og verður því að gera ráð fyrir því í rásinni að vernda portið.

Þegar ég var að fikta sem mest þá var ég með gamla pc vél með win98 á, á meðan ég forritaði á minni xp vél. Bæði fannst mér best að vera ekki að skemma flottustu tölvuna í húsinu á einhverju fikti og svo var aðgengi að portunum betra í win98. En þetta er náttúrulega bara smekksatriði.

Svo er það bara að kynna sér hvernig þú gætir talað við portið í gegnum, eins og þú segir, java.
Hér er ágætis grein ( reyndar í C# ) sem útskýrir þetta nokkuð vel. http://www.codeproject.com/KB/cs/csppleds.aspx

Næsta skref væri náttúrulega flottast að stjórna littlum LCD skjá, og muna að taka bara babysteps.



Skjámynd

Höfundur
Rednex
Nörd
Póstar: 147
Skráði sig: Sun 15. Jún 2003 18:00
Reputation: 0
Staðsetning: Hafnarfirði
Hafðu samband:
Staða: Ótengdur

Re: Stjórna róbótta í gegnum prentaraportið

Pósturaf Rednex » Fim 24. Júl 2008 14:26

ég fann hérna eina mjög svo áhugaverðasíðu á google
http://algoval.essex.ac.uk/cec2005/race/ParSoftware.html

En þegar þú minntist á að stjórna skjám ákvað ég að benda ykkur á eitt skemmtilegt video þar sem röðum af ljósadíóðum er breytt í skjá :P
http://www.youtube.com/watch?v=R9b8kby30Ys&feature=related


Ef það virkar... ekki laga það !

Skjámynd

urban
Stjórnandi
Póstar: 3750
Skráði sig: Mán 06. Des 2004 01:26
Reputation: 474
Staðsetning: Undir hægra megin
Hafðu samband:
Staða: Ótengdur

Re: Stjórna róbótta í gegnum prentaraportið

Pósturaf urban » Fim 24. Júl 2008 14:44

Rednex skrifaði:ég fann hérna eina mjög svo áhugaverðasíðu á google
http://algoval.essex.ac.uk/cec2005/race/ParSoftware.html

En þegar þú minntist á að stjórna skjám ákvað ég að benda ykkur á eitt skemmtilegt video þar sem röðum af ljósadíóðum er breytt í skjá :P
http://www.youtube.com/watch?v=R9b8kby30Ys&feature=related



:shock: þetta video er eiginlega bara argasta klám. :lol:


Heyrðu þú ert bara alls ekkert svo óvitlaus !

Skjámynd

Höfundur
Rednex
Nörd
Póstar: 147
Skráði sig: Sun 15. Jún 2003 18:00
Reputation: 0
Staðsetning: Hafnarfirði
Hafðu samband:
Staða: Ótengdur

Re: Stjórna róbótta í gegnum prentaraportið

Pósturaf Rednex » Fös 25. Júl 2008 00:16

Jæja

Ég setti upp rafrásina mína og fékk hana til að virka. Til að hafa þetta nú aðeins flóknara en bara að tengja ljósadíóðuna ákvað ég að skella inn í þetta liltum transistor/smára. Fyrst lét ég batterý knýja transistorinn og viti menn... það kviknaði á díóðunni. Þá vissi ég að rásin virkaði. Því næst setti ég í staðinn fyrir batterýið sem knúði transistorinn setti ég vír frá pinna 2 og jörð úr prentarakaplinum. Þá fór þetta að verða flóknara
MyndMynd

Ég fann þetta fína forrit á netinu sem heitir LEDtest.java og á að kveikja og slökkva á öllum rásum í kaplinum, 8 talsins, til skiptis. Ég hins vegar náði ekki að compila forritið. Þá datt mér bara í hug "hvernig get ég sent merki frá kaplinum án þess að búa til mitt eigið forrit ?... auðvitað læt ég tölvuna bara reyna að finna prentara"

...og viti menn.. það kviknaði á díóðunni ! :D

Núna þarf ég bara að fá einhvern til að hjálpa mér með þetta forrit. Hrifsa vin minn frá kærustunni sinni í eitt kvöld ? :wink:


Ef það virkar... ekki laga það !

Skjámynd

einzi
spjallið.is
Póstar: 439
Skráði sig: Þri 27. Maí 2003 11:25
Reputation: 1
Staðsetning: Ísafjörður
Staða: Ótengdur

Re: Stjórna róbótta í gegnum prentaraportið

Pósturaf einzi » Fös 25. Júl 2008 10:51

Góður

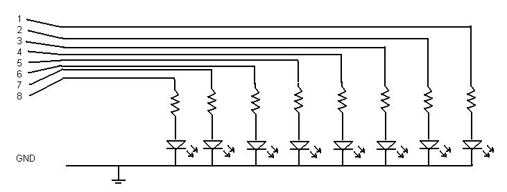
Þarft ekki einu sinni að hafa þetta svona flókið. Læt fylgja með glæsilega ms paint túlkun á minni tilraun sem var bara 8 LED og 8 470 ohm ( ef ég man rétt ).
Verður náttúrulega að láta fylgja með hvaða villu þú fékkst þegar þú varst að reyna að compila, og hvaðan þessi LEDtest.java kemur ;)

Svo er það spurning með þessa pælingu hjá þér, er það róbótasmíðin sem heillar þig eða hugbúnaðarhliðin. Til eru nefnilega flott kit t.d. http://robosavvy.com/site/ þar sem þú getur bætt við skynjurum og bætt forritunina. Óþarfi að finna upp hjólið aftur ;)
sjá betur hér http://revision3.com/systm/robogamesV2/

Btw .. hvar færðu svona flott breadboard?

** bætt við
4.7k ohm var það víst, hvað eru nokkur tugasæti á milli vaktarbúa ;)
aukasíða - http://www.epanorama.net/circuits/parallel_output.html
og fleiri parallel projects http://icc.skku.ac.kr/~won/electro/hwpr ... el_project
Viðhengi
data8-ras.JPG
Einföld rás
data8-ras.JPG (26.4 KiB) Skoðað 4304 sinnum



Skjámynd

Höfundur
Rednex
Nörd
Póstar: 147
Skráði sig: Sun 15. Jún 2003 18:00
Reputation: 0
Staðsetning: Hafnarfirði
Hafðu samband:
Staða: Ótengdur

Re: Stjórna róbótta í gegnum prentaraportið

Pósturaf Rednex » Fös 25. Júl 2008 20:56

Forritið fann ég á þessari síðu hérna http://algoval.essex.ac.uk/cec2005/race/ParSoftware.html þar sem ég þurfti fyrst að setja upp paraport og Userport forritin. Userport opnar fyrir prentaraportið en paraport stjórnar því. Það er einmitt á Paraport sem LEDtest byggir/vinnur á. Ég til mig vera búinn að setja upp þetta allt eftir leiðbeiningunum... best að fara yfir það aftur :?

Ég næ að compila paraport en þegar ég reyni að compila hinu kemur þessi villa

Kóði: Velja allt

LEDTest.java:17: cannot find symbol
symbol  : constructor ParallelPort()
location: class parport.ParallelPort
        ParallelPort pp = new ParallelPort();
                          ^

Þetta er ábyggilega eitthvað voða núbbalegt en samt nóg til að ég strandi á þessu :o

Borðið og allt hitt dótið fékk ég uppi í Íhlutum. Keypti mér bara sett af viðnámum og ljósadíóðum til að eiga lager :P

Síðan er eitt sem ég er ekki klár á. Ég veit bara ekkert hversu stór viðnám ég á að hafa á þessu. Þegar ég ætlaði að nota menntaskólaeðlisfræðina mína, V = I*R, til að finna spennufallið sem ég þurfti til að steikja ekki díóðuna gat ég bara ekki látið það ganga upp. Ég sá að batterýin tvö gáfu 2,5 amper skv. straumælinum mínum ef ég setti á pólanna á batterýunum. Til að lækka spennuna úr 4,5v í 3v hefði viðnámið átt að vera 0,6 ohm :? Hins vegar notaði ég 10ohm viðnám þarna (sem er það minnsta sem fylgdi pakkanum). Skv því hefði spennufallið átt að vera 2,5*10 = 25 v :!: Það gengur náttúrulega ekkert upp.

Ég er nú ekki enn búinn að steikja neitt en endilega fræðið mig um hvað ég er að gera rangt...


Ef það virkar... ekki laga það !

Skjámynd

Revenant
</Snillingur>
Póstar: 1052
Skráði sig: Fim 24. Jún 2004 12:36
Reputation: 139
Staða: Ótengdur

Re: Stjórna róbótta í gegnum prentaraportið

Pósturaf Revenant » Fös 25. Júl 2008 22:05

Rednex skrifaði:Síðan er eitt sem ég er ekki klár á. Ég veit bara ekkert hversu stór viðnám ég á að hafa á þessu. Þegar ég ætlaði að nota menntaskólaeðlisfræðina mína, V = I*R, til að finna spennufallið sem ég þurfti til að steikja ekki díóðuna gat ég bara ekki látið það ganga upp. Ég sá að batterýin tvö gáfu 2,5 amper skv. straumælinum mínum ef ég setti á pólanna á batterýunum. Til að lækka spennuna úr 4,5v í 3v hefði viðnámið átt að vera 0,6 ohm :? Hins vegar notaði ég 10ohm viðnám þarna (sem er það minnsta sem fylgdi pakkanum). Skv því hefði spennufallið átt að vera 2,5*10 = 25 v :!: Það gengur náttúrulega ekkert upp.

Ég er nú ekki enn búinn að steikja neitt en endilega fræðið mig um hvað ég er að gera rangt...



Segjum sem svo að þú sért með 9 V batterí og viljir nota einfalda ljósdíóðu (sirka 2V spennufall og tekur mest sirka 35mA en lýsir við 12mA). Gerum bara ráð fyrir að þú viljir hafa 20 mA straum í gegnum ljósdíóðuna en þá notaru (9V - 2V) / 0.02 A = 350 ohma viðnám.

Það er samt hægt að misnota ljósdíóður alveg hægri vinstri þannig þessar tölur eru ekkert heilagar. Þótt að þú hafir ekki 350 ohm-a viðnám þá geturu notað 470 eða allt niður í 200 ohm og samt látið lýsa á díóðunni.



Skjámynd

Höfundur
Rednex
Nörd
Póstar: 147
Skráði sig: Sun 15. Jún 2003 18:00
Reputation: 0
Staðsetning: Hafnarfirði
Hafðu samband:
Staða: Ótengdur

Re: Stjórna róbótta í gegnum prentaraportið

Pósturaf Rednex » Lau 26. Júl 2008 02:32

Ég held ég sé að ná þessu

Ég gerði ráð fyrir að straumurinn í rásinni væri jafn mikill og batterýið gæti gefið mikið... en ekki hvað díóðan "tæki" í raun mikið.

Hvernig get ég samt takmarkað hversu mikill straumur fer í gegnum smárann ? Kallinn í búðinni sagði að hann þyldi bara 250mA. Viðnám "framkvæma" í raun bara spennufall en ekki straumfall, ef það orð er til. Ég mætti tæknilega séð láta hvaða spennu sem er, innan skinsamlegra marka, fara í gegnum smárann en þarf bara að athuga að straumnum. Verð ég bara að passa að setja ekki of öflugt batterý í rásina ?

Rétt :?:


Ef það virkar... ekki laga það !


mainman
Vélbúnaðarníðingur
Póstar: 392
Skráði sig: Sun 08. Jan 2006 15:40
Reputation: 85
Staða: Ótengdur

Re: Stjórna róbótta í gegnum prentaraportið

Pósturaf mainman » Lau 26. Júl 2008 08:54

Er "kallinn i búðinni" nokkuð gaurinn í Íhlutir í skipholti ?
Ef það er hann, þá ættirðu að spurja hann frekar útí þetta project hjá þér því ég sá einhverntíman svona hugbúnað og eitthvað kitt til að stjórna nánast hverju sem er í gegnum paralell í búðinni hjá honum.



Skjámynd

Revenant
</Snillingur>
Póstar: 1052
Skráði sig: Fim 24. Jún 2004 12:36
Reputation: 139
Staða: Ótengdur

Re: Stjórna róbótta í gegnum prentaraportið

Pósturaf Revenant » Lau 26. Júl 2008 11:20

Rednex skrifaði:Ég held ég sé að ná þessu

Ég gerði ráð fyrir að straumurinn í rásinni væri jafn mikill og batterýið gæti gefið mikið... en ekki hvað díóðan "tæki" í raun mikið.

Hvernig get ég samt takmarkað hversu mikill straumur fer í gegnum smárann ? Kallinn í búðinni sagði að hann þyldi bara 250mA. Viðnám "framkvæma" í raun bara spennufall en ekki straumfall, ef það orð er til. Ég mætti tæknilega séð láta hvaða spennu sem er, innan skinsamlegra marka, fara í gegnum smárann en þarf bara að athuga að straumnum. Verð ég bara að passa að setja ekki of öflugt batterý í rásina ?

Rétt :?:


Þú þarft í raun að hugsa um nokkra hluti:
1. Straumur milli Collectors og Emitters sé innan við gefið hámark (táknað Ic)
2. Spenna milli Collectors og Emitters sé innan við gefið hámark (táknað Vce)
3. Aflið sem eyðist í transistorinum sé fyrir neðan Pmax ( Pmax > Ic * Vce ).
4. Milli Base og Emitters er sirka 0.7V spennufall
5. Straummögnunin hFE kemur líka inn í þetta en hún fer eftir straumi á Base - Emitter.



Skjámynd

Höfundur
Rednex
Nörd
Póstar: 147
Skráði sig: Sun 15. Jún 2003 18:00
Reputation: 0
Staðsetning: Hafnarfirði
Hafðu samband:
Staða: Ótengdur

Re: Stjórna róbótta í gegnum prentaraportið

Pósturaf Rednex » Lau 26. Júl 2008 12:52

mainman skrifaði:Er "kallinn i búðinni" nokkuð gaurinn í Íhlutir í skipholti ?
Ef það er hann, þá ættirðu að spurja hann frekar útí þetta project hjá þér því ég sá einhverntíman svona hugbúnað og eitthvað kitt til að stjórna nánast hverju sem er í gegnum paralell í búðinni hjá honum.


Jú jú þetta er hann. Hann sýndi mér þetta kit sitt og mér leist nú bara nokkuð vel á þetta. Ég ákvað samt að byrja á þessu sem ég hafði hugsað mér og líka að ég nenni ekki að finna diskettudrif til að geta notað forritið sem fylgir kittinu :wink:


Ef það virkar... ekki laga það !

Skjámynd

andribolla
Bara að hanga
Póstar: 1545
Skráði sig: Þri 01. Júl 2008 00:00
Reputation: 17
Staðsetning: Akureyri
Staða: Ótengdur

Re: Stjórna róbótta í gegnum prentaraportið

Pósturaf andribolla » Mán 25. Ágú 2008 19:24

jæja
ég er einmitt buin að vera að leita að þessu í svoldin tima.

en þar sem eg kann bara ekkert á svona forritun..
þá er ég að spá, veit eithver var eg gæti fengið bara svona tilbúið forrit

http://www.codeproject.com/KB/cs/cspple ... e1_001.jpg

þetta á myndini myndi bara duga alveg ágætlega .....

eg var að leita að því þarna á síðuni " http://www.codeproject.com/KB/cs/csppleds.aspx " en eg fann bara eithverja asnalega kóda (a)

öllll hjálp væri mjög vel þeginn :)