Hjálp með Wifi setup í nýju húsi


Höfundur
talkabout
Fiktari
Póstar: 90
Skráði sig: Fös 26. Mar 2004 14:49
Reputation: 14
Staða: Ótengdur

Hjálp með Wifi setup í nýju húsi

Pósturaf talkabout » Lau 21. Sep 2024 20:01

Sælir vaktarar.

Vorum loksins að fjárfesta í húsi hér í DK og ég er að vesenast með netið hjá okkur. Langar alltaf að hafa allt beintengt eins og ég get en sé ekki að það verði möguleiki í þetta sinn. Húsið var allt tekið í gegn 2016 eftir bruna, en það hefur verið sparað í rafmagninu að því leyti að gömlu lagnaleiðirnar voru bara notaðar og ekki verið sett ethernet í öll herbergi eða fjölgað innstungum. Arg...

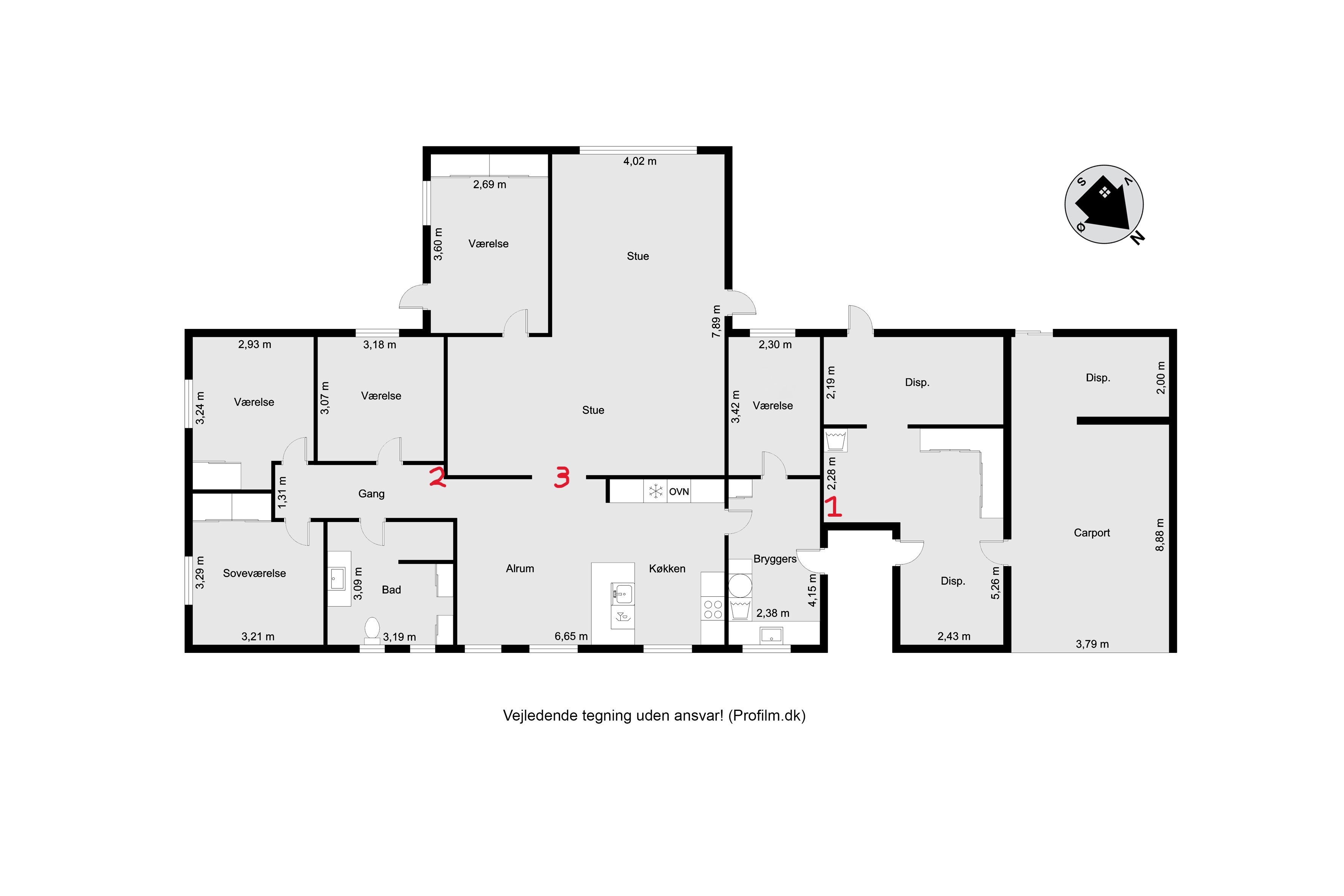
Allavega, eins og sést á grunnmyndinni þá er þetta þokkalega stórt, 171fm íbúðin sjálf. Troldtekt í loftum, léttir milliveggir (léttsteypa (dk. letbeton)). Númeraði aðeins til útskýringar.

#1 Rafmagnstafla og ljósleiðarabox.
#2 Cat6 strengur kemur inn í íbúð, router hjá fyrrverandi eiganda hangir.
#3 Cat6 Fyrrverandi eigandi var með endurvarp

Það þarf að sjálfsögðu að vera góð dekkun allsstaðar, það eru auðvitað nettengd tæki í hverju herbergi (sjónvörp, tölvur, þetta venjulega), hef mestar áhyggjur af staka herberginu við þvottahúsið. Það væri alveg séns að fara að vesenast með sýnilega kapla meðfram gólflistum/uppvið loft en væri alveg til í að sleppa því í þessari umferð.

Væri ekki einhverskonar Unifi setup málið? Með router á #2 og PoE access point á #3? Kannski fleiri endurvörp? Átta mig ekki alveg á hversu öflugar græjur ég þarf til að vera með þokkalega öflugt Wifi innanhúss. Geta mér fróðari menn ráðlagt í þessum efnum? Og endilega ef ég get útskýrt betur, spyrja.

Plantegning Grønvangen - breytt.jpg
Plantegning Grønvangen - breytt.jpg (320.21 KiB) Skoðað 2772 sinnum


*edit sett í vitlausan undirflokk, átti að sjálfsögðu að fara í "Hugbúnaður, net og stýrikerfi"
Síðast breytt af talkabout á Lau 21. Sep 2024 20:42, breytt samtals 1 sinni.


Ryzen 7 5800X - Noctua NH-D15S - Gigabyte Gaming OC RTX3070- G.Skill Trident Z 2x16 3600 - ASRock X570 Steel Legend- Seasonic M12II-620 EVO - Nanoxia Deep Silence Case


jonfr1900
Vaktari
Póstar: 2796
Skráði sig: Mán 25. Sep 2017 13:07
Reputation: 349
Staðsetning: Danmark
Hafðu samband:
Staða: Ótengdur

Re: Hjálp með Wifi setup í nýju húsi

Pósturaf jonfr1900 » Lau 21. Sep 2024 21:57

Til hamingju með húsið. Þú gerir bara eins og danir og leggur bara netkapalinn í gegnum loftið og í þau herbergi sem þarf frá ljósleiðarboxinu og síðan í routerinn og þaðan sem þetta þarf að fara.

Ég vona að WiFi umhverfið sé hagstæðara hjá þér en mér. Þar sem það getur einnig verið vandamál ef staðsetning er óhagstæð (truflanir).

Þú getur fengið CAT6 tengi í Jem og Fix. Ásamt netkapli, boxi og öllu tilheyrandi.

Datakonnektor RJ45 cat. 6 S1 UTP (Jem og Fix)



Skjámynd

Stutturdreki
Of mikill frítími
Póstar: 1720
Skráði sig: Þri 27. Apr 2004 14:03
Reputation: 46
Staða: Ótengdur

Re: Hjálp með Wifi setup í nýju húsi

Pósturaf Stutturdreki » Mán 23. Sep 2024 10:00

Getur leikið þér með https://design.ui.com/wizard til að plana AP staðsetningar og coverage.

Sumir hata Unifi, aðrir elska það. Er sjálfur með UDM og AP og gæti ekki verið hamingjusamari, hef ekki prófað nýju unifi cloud gateway en myndi skoða þá í dag ef ég væri ekki með UDM.

Mæli með að ganga æði langt í að reyna að koma cat á sem flesta staði, veit ekki hvernig danir byggja hús en ef það eru lagna rör í veggjum þá geturðu yfirleitt endurnýtt síma og coax tengi/lagnir (sími er yfirleitt cat5e eða jafnvel cat6a í dag). Ef snúrurnar eru heftaðar innan á gifs veggi ertu screwed.